Javascript est désactivé dans votre navigateur. Javascript doit être activé dans votre navigateur pour utiliser toutes les fonctionnalités de ce site.
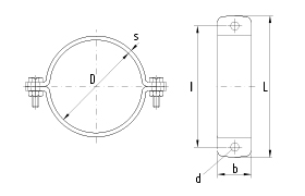
N-639 Collier de fixation avec vis et écrous
Votre panier est vide.